BP

Pompes d'assainissement à économie d'énergie équipées d'une roue à aubes à canal ouvert et d'un moteur à rendement premium IE3.

Données techniques
  • ø diamètre de refoulement mm: 100 - 300
  • Type de fluide: Eaux usées
  • Granulométrie max (mm): 45 - 110
  • Valeur maximale du pH: 6-14
  • Capacité max. l/min: 2150 - 35000
  • Hauteur manométrique max. m: 10.10 - 40
  • Puissance du moteur kW: 3,0 - 132,0
  • Phase / Tension: 3-phase / 400V / 50Hz
Courbe de performance
1 O
2 O
4 O
Caractéristiques
Model Colour code curve ø diamètre de refoulement mm Type de fluide Granulométrie max (mm) Valeur maximale du pH Capacité max. l/min Hauteur manométrique max. m Puissance du moteur kW Phase / Tension Surveillance
free standing with guide rail fitting
100BP43.0 -F170 TOS100BP43.0 -F170 1 100 Eaux usées 45 6-14 3170 10.10 3,0 3-phase / 400V / 50Hz Double capteur de fuite (chambre des joints mécaniques et boîtier du stator) 1 signal
100BP44.0 -F200 TOS100BP44.0 -F200 2 100 Eaux usées 45 6-14 2250 14,70 4,0 3-phase / 400V / 50Hz Double capteur de fuite (chambre des joints mécaniques et boîtier du stator) 1 signal
100BP45.5 -F230 TOS100BP45.5 -F230 3 100 Eaux usées 45 6-14 2150 19.7 5,5 3-phase / 400V / 50Hz Double capteur de fuite (chambre des joints mécaniques et boîtier du stator) 1 signal
100BP47.5 -F230 TOS100BP47.5 -F230 4 100 Eaux usées 45 6-14 4300 20 7,5 3-phase / 400V / 50Hz Double capteur de fuite (chambre des joints mécaniques et boîtier du stator) 1 signal
100BP411 -F260 TOS100BP411 -F260 5 100 Eaux usées 45 6-14 4590 25.7 11,0 3-phase / 400V / 50Hz Double capteur de fuite (chambre des joints mécaniques et boîtier du stator) 1 signal
150BP411 -G246 TOS150BP411 -G246 6 150 Eaux usées 80 6-14 3930 15,60 11,0 3-phase / 400V / 50Hz Double capteur de fuite (chambre des joints mécaniques et boîtier du stator) 1 signal
150BP418.5 -A270 TOS150BP418.5 -A270 7 150 Eaux usées 80 6-14 8400 24,90 18,5 3-phase / 400V / 50Hz Double capteur de fuite (chambre des joints mécaniques et boîtier du stator) 1 signal
150BP422 -F290 TOS150BP422 -F290 8 150 Eaux usées 80 6-14 11000 28 22,0 3-phase / 400V / 50Hz Double capteur de fuite (chambre des joints mécaniques et boîtier du stator) 1 signal
150BP430 -F315 TOS150BP430 -F315 9 150 Eaux usées 80 6-14 12300 34,5 30,0 3-phase / 400V / 50Hz Double capteur de fuite (chambre des joints mécaniques et boîtier du stator) 1 signal
200BP637 -C430 TOS200BP637 -C430 10 200 Eaux usées 100 6-14 17700 24,8 37,0 3-phase / 400V / 50Hz Double capteur de fuite (chambre des joints mécaniques et boîtier du stator) 1 signal
200BP645 -C460 TOS200BP645 -C460 11 200 Eaux usées 100 6-14 18800 30 45,0 3-phase / 400V / 50Hz Double capteur de fuite (chambre des joints mécaniques et boîtier du stator) 1 signal
300BP637 -B405 TOS300BP637 -B405 12 300 Eaux usées 110 6-14 23400 21.3 37,0 3-phase / 400V / 50Hz Double capteur de fuite (chambre des joints mécaniques et boîtier du stator) 1 signal
300BP645 -B435 TOS300BP645 -B435 13 300 Eaux usées 110 6-14 25000 25.30 45,0 3-phase / 400V / 50Hz Double capteur de fuite (chambre des joints mécaniques et boîtier du stator) 1 signal
300BP655 -B460 TOS300BP655 -B460 14 300 Eaux usées 110 6-14 27000 28,80 55,0 3-phase / 400V / 50Hz Double capteur de fuite (chambre des joints mécaniques et boîtier du stator) 1 signal
300BP690 -C477 TOS300BP690 -C477 15 300 Eaux usées 110 6-14 33100 33 90,0 3-phase / 400V / 50Hz Double capteur de fuite (chambre des joints mécaniques et boîtier du stator) 1 signal
300BP6132 -D520 TOS300BP6132 -D520 16 300 Eaux usées 110 6-14 35000 40 132,0 3-phase / 400V / 50Hz Double capteur de fuite (chambre des joints mécaniques et boîtier du stator) 1 signal
ø diamètre de refoulement mm 100
Type de fluide Eaux usées
Granulométrie max (mm) 45
Valeur maximale du pH 6-14
Capacité max. l/min 3170
Hauteur manométrique max. m 10.10
Puissance du moteur kW 3,0
Phase / Tension 3-phase / 400V / 50Hz
Surveillance Double capteur de fuite (chambre des joints mécaniques et boîtier du stator) 1 signal
ø diamètre de refoulement mm 100
Type de fluide Eaux usées
Granulométrie max (mm) 45
Valeur maximale du pH 6-14
Capacité max. l/min 2250
Hauteur manométrique max. m 14,70
Puissance du moteur kW 4,0
Phase / Tension 3-phase / 400V / 50Hz
Surveillance Double capteur de fuite (chambre des joints mécaniques et boîtier du stator) 1 signal
ø diamètre de refoulement mm 100
Type de fluide Eaux usées
Granulométrie max (mm) 45
Valeur maximale du pH 6-14
Capacité max. l/min 2150
Hauteur manométrique max. m 19.7
Puissance du moteur kW 5,5
Phase / Tension 3-phase / 400V / 50Hz
Surveillance Double capteur de fuite (chambre des joints mécaniques et boîtier du stator) 1 signal
ø diamètre de refoulement mm 100
Type de fluide Eaux usées
Granulométrie max (mm) 45
Valeur maximale du pH 6-14
Capacité max. l/min 4300
Hauteur manométrique max. m 20
Puissance du moteur kW 7,5
Phase / Tension 3-phase / 400V / 50Hz
Surveillance Double capteur de fuite (chambre des joints mécaniques et boîtier du stator) 1 signal
ø diamètre de refoulement mm 100
Type de fluide Eaux usées
Granulométrie max (mm) 45
Valeur maximale du pH 6-14
Capacité max. l/min 4590
Hauteur manométrique max. m 25.7
Puissance du moteur kW 11,0
Phase / Tension 3-phase / 400V / 50Hz
Surveillance Double capteur de fuite (chambre des joints mécaniques et boîtier du stator) 1 signal
ø diamètre de refoulement mm 150
Type de fluide Eaux usées
Granulométrie max (mm) 80
Valeur maximale du pH 6-14
Capacité max. l/min 3930
Hauteur manométrique max. m 15,60
Puissance du moteur kW 11,0
Phase / Tension 3-phase / 400V / 50Hz
Surveillance Double capteur de fuite (chambre des joints mécaniques et boîtier du stator) 1 signal
ø diamètre de refoulement mm 150
Type de fluide Eaux usées
Granulométrie max (mm) 80
Valeur maximale du pH 6-14
Capacité max. l/min 8400
Hauteur manométrique max. m 24,90
Puissance du moteur kW 18,5
Phase / Tension 3-phase / 400V / 50Hz
Surveillance Double capteur de fuite (chambre des joints mécaniques et boîtier du stator) 1 signal
ø diamètre de refoulement mm 150
Type de fluide Eaux usées
Granulométrie max (mm) 80
Valeur maximale du pH 6-14
Capacité max. l/min 11000
Hauteur manométrique max. m 28
Puissance du moteur kW 22,0
Phase / Tension 3-phase / 400V / 50Hz
Surveillance Double capteur de fuite (chambre des joints mécaniques et boîtier du stator) 1 signal
ø diamètre de refoulement mm 150
Type de fluide Eaux usées
Granulométrie max (mm) 80
Valeur maximale du pH 6-14
Capacité max. l/min 12300
Hauteur manométrique max. m 34,5
Puissance du moteur kW 30,0
Phase / Tension 3-phase / 400V / 50Hz
Surveillance Double capteur de fuite (chambre des joints mécaniques et boîtier du stator) 1 signal
ø diamètre de refoulement mm 200
Type de fluide Eaux usées
Granulométrie max (mm) 100
Valeur maximale du pH 6-14
Capacité max. l/min 17700
Hauteur manométrique max. m 24,8
Puissance du moteur kW 37,0
Phase / Tension 3-phase / 400V / 50Hz
Surveillance Double capteur de fuite (chambre des joints mécaniques et boîtier du stator) 1 signal
ø diamètre de refoulement mm 200
Type de fluide Eaux usées
Granulométrie max (mm) 100
Valeur maximale du pH 6-14
Capacité max. l/min 18800
Hauteur manométrique max. m 30
Puissance du moteur kW 45,0
Phase / Tension 3-phase / 400V / 50Hz
Surveillance Double capteur de fuite (chambre des joints mécaniques et boîtier du stator) 1 signal
ø diamètre de refoulement mm 300
Type de fluide Eaux usées
Granulométrie max (mm) 110
Valeur maximale du pH 6-14
Capacité max. l/min 23400
Hauteur manométrique max. m 21.3
Puissance du moteur kW 37,0
Phase / Tension 3-phase / 400V / 50Hz
Surveillance Double capteur de fuite (chambre des joints mécaniques et boîtier du stator) 1 signal
ø diamètre de refoulement mm 300
Type de fluide Eaux usées
Granulométrie max (mm) 110
Valeur maximale du pH 6-14
Capacité max. l/min 25000
Hauteur manométrique max. m 25.30
Puissance du moteur kW 45,0
Phase / Tension 3-phase / 400V / 50Hz
Surveillance Double capteur de fuite (chambre des joints mécaniques et boîtier du stator) 1 signal
ø diamètre de refoulement mm 300
Type de fluide Eaux usées
Granulométrie max (mm) 110
Valeur maximale du pH 6-14
Capacité max. l/min 27000
Hauteur manométrique max. m 28,80
Puissance du moteur kW 55,0
Phase / Tension 3-phase / 400V / 50Hz
Surveillance Double capteur de fuite (chambre des joints mécaniques et boîtier du stator) 1 signal
ø diamètre de refoulement mm 300
Type de fluide Eaux usées
Granulométrie max (mm) 110
Valeur maximale du pH 6-14
Capacité max. l/min 33100
Hauteur manométrique max. m 33
Puissance du moteur kW 90,0
Phase / Tension 3-phase / 400V / 50Hz
Surveillance Double capteur de fuite (chambre des joints mécaniques et boîtier du stator) 1 signal
ø diamètre de refoulement mm 300
Type de fluide Eaux usées
Granulométrie max (mm) 110
Valeur maximale du pH 6-14
Capacité max. l/min 35000
Hauteur manométrique max. m 40
Puissance du moteur kW 132,0
Phase / Tension 3-phase / 400V / 50Hz
Surveillance Double capteur de fuite (chambre des joints mécaniques et boîtier du stator) 1 signal
GENERAL
ø diamètre de refoulement mm 100 - 300
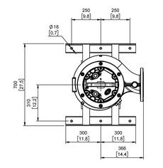
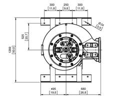
Diamètre de connexion DN 100 EN 1092-2, DN 150 EN 1092-2, DN 200 EN 1092-2, DN 300 EN 1092-2
Pompage de fluide
Type de fluide Eaux usées
Température 0 - 40°C
Granulométrie max (mm) 45 - 110
Valeur maximale du pH 6-14
Capacité max. l/min 2150 - 35000
Hauteur manométrique max. m 10.10 - 40
Pompe
Composants
Turbine Turbine à canaux ouverte
Garniture mécanique Joint mécanique double dans bain d'huile
MATÉRIEL
Turbine Fonte grise EN-GJL-250
Enveloppe Fonte grise EN-GJL-250
Plaque d'aspiration Fonte grise EN-GJL-250
Corps de pompe Fonte grise EN-GJL-250
Garniture mécanique carbure de silicium
Moteur
Puissance du moteur kW 3,0 - 132,0
Méthode de démarrage directement en ligne, étoile/triangle
Type, pôles Moteur à induction, 4 pôles, IP68, Moteur à induction, 6 pôles, IP68
Isolation Classe d'isolation H
Phase / Tension 3-phase / 400V / 50Hz
tr/min 980 - 1475
Protection moteur Protecteurs thermiques bimétalliques (Klixon) de série
Surveillance Double capteur de fuite (chambre des joints mécaniques et boîtier du stator) 1 signal
Intensité nominal 105, 11,60, 14,50, 182,5, 21.3, 273.2, 35.2, 40,6, 55,7, 6,60, 70,5, 8h40, 92,3
MATÉRIEL
Arbre AISI 431
Câble S1RN8F 7G1.5 + 3x1, S1RN8F 4G2.5 + 3x1, S1RN8F 7G4 + 3x1, S1RN8F 4G6 x 2, S1RN8F 4G10 x 2, S1RN8F 4G16 x 2, S1RN8F 4G50 x 2, S1RN8F 4G35 x 2
Longueur du câble 10 m
Autres
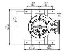
Poids à sec en kg 191 - 2046
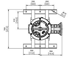
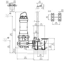
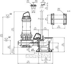
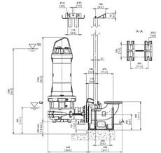
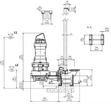
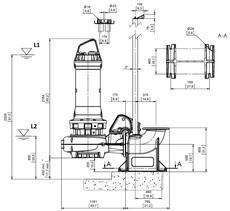
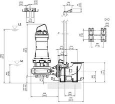
Dimensions - en mm
W1 : niveau d'eau courante le plus bas
  • 200BP637 -C430
W1 : niveau d'eau courante le plus bas
  • 150BP430 -F315
W1 : niveau d'eau courante le plus bas
  • 150BP422 -F290
W1 : niveau d'eau courante le plus bas
  • 150BP418.5 -A270
W1 : niveau d'eau courante le plus bas
  • 150BP411 -G246
W1 : niveau d'eau courante le plus bas
  • 100BP411 -F260
W1 : niveau d'eau courante le plus bas
  • 100BP47.5 -F230
W1 : niveau d'eau courante le plus bas
  • 100BP45.5 -F230
W1 : niveau d'eau courante le plus bas
  • 100BP44.0 -F200
W1 : niveau d'eau courante le plus bas
  • 100BP43.0 -F170
W1 : niveau d'eau courante le plus bas
  • 300BP6132 -D520
W1 : niveau d'eau courante le plus bas
  • 300BP690 -C477
W1 : niveau d'eau courante le plus bas
  • 300BP655 -B460
W1 : niveau d'eau courante le plus bas
  • 300BP645 -B435
W1 : niveau d'eau courante le plus bas
  • 300BP637 -B405
W1 : niveau d'eau courante le plus bas
  • 200BP645 -C460
ModelA
100BP43.0 -F170-
100BP44.0 -F200-
100BP45.5 -F230-
100BP47.5 -F230-
100BP411 -F260-
150BP411 -G246-
150BP418.5 -A270-
150BP422 -F290-
150BP430 -F315-
200BP637 -C430-
200BP645 -C460-
300BP637 -B405-
300BP645 -B435-
300BP655 -B460-
300BP690 -C477-
300BP6132 -D520-
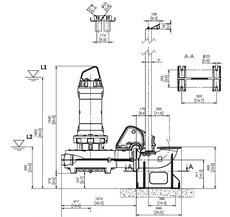
Dimensions - en mm
  • 150BP430 -F315
W1 : niveau d'eau courante le plus bas
  • 150BP422 -F290
W1 : niveau d'eau courante le plus bas
  • 150BP411 -G246
W1 : niveau d'eau courante le plus bas
  • 100BP411 -F260
W1 : niveau d'eau courante le plus bas
  • 100BP47.5 -F230
W1 : niveau d'eau courante le plus bas
  • 100BP45.5 -F230
W1 : niveau d'eau courante le plus bas
  • 100BP44.0 -F200
W1 : niveau d'eau courante le plus bas
  • 100BP43.0 -F170
W1 : niveau d'eau courante le plus bas
  • 150BP418.5 -A270
W1 : niveau d'eau courante le plus bas
  • 300BP6132 -D520
W1 : niveau d'eau courante le plus bas
  • 300BP690 -C477
W1 : niveau d'eau courante le plus bas
  • 300BP655 -B460
W1 : niveau d'eau courante le plus bas
  • 300BP645 -B435
W1 : niveau d'eau courante le plus bas
  • 300BP637 -B405
W1 : niveau d'eau courante le plus bas
  • 200BP645 -C460
W1 : niveau d'eau courante le plus bas
  • 200BP637 -C430
W1 : niveau d'eau courante le plus bas
ModelA
100BP43.0 -F170-
100BP44.0 -F200-
100BP45.5 -F230-
100BP47.5 -F230-
100BP411 -F260-
150BP411 -G246-
150BP418.5 -A270-
150BP422 -F290-
150BP430 -F315-
200BP637 -C430-
200BP645 -C460-
300BP637 -B405-
300BP645 -B435-
300BP655 -B460-
300BP690 -C477-
300BP6132 -D520-

La série BP est une gamme de pompes à haut rendement, afin de répondre à la demande croissante en solutions de pompage fiables et économes en énergie. Pour atteindre une efficacité globale maximale et réduire la consommation d'énergie, la série BP est équipée de moteurs à rendement premium IE3. La conception de la partie hydraulique avec une roue à canal ouvert assure l'expulsion des solides et empêche le colmatage de la roue, même lors du traitement d'eaux usées ou chargées de boues à forte teneur en particules solides.


La série BP est parfaitement adaptée aux applications exigeantes telles que : la recirculation des eaux industrielles et de process, les systèmes de relevage domestiques, le drainage et le relevage d'eaux pluviales.