OM

Cette pompe résiste à l'abrasion et à la corrosion, minimisant ainsi la maintenance.

Données techniques
  • ø diamètre de refoulement mm: 32 mm
  • Type de fluide: Eaux usées
  • Granulométrie max (mm): 10
  • Valeur maximale du pH: 4-10
  • Capacité max. l/min: 185
  • Hauteur manométrique max. m: 7,50
  • Puissance du moteur kW: 0,15
  • Phase / Tension: 1-phase / 230V / 110V / 50Hz
Courbe de performance
1 O
Caractéristiques
Model Colour code curve ø diamètre de refoulement mm Type de fluide Granulométrie max (mm) Valeur maximale du pH Capacité max. l/min Hauteur manométrique max. m Puissance du moteur kW Phase / Tension
OM 1 32 mm Eaux usées 10 4-10 185 7,50 0,15 1-phase / 230V / 110V / 50Hz
OMA   32 mm Eaux usées 10 4-10 185 7,50 0,15 1-phase / 230V / 110V / 50Hz
ø diamètre de refoulement mm 32 mm
Type de fluide Eaux usées
Granulométrie max (mm) 10
Valeur maximale du pH 4-10
Capacité max. l/min 185
Hauteur manométrique max. m 7,50
Puissance du moteur kW 0,15
Phase / Tension 1-phase / 230V / 110V / 50Hz
ø diamètre de refoulement mm 32 mm
Type de fluide Eaux usées
Granulométrie max (mm) 10
Valeur maximale du pH 4-10
Capacité max. l/min 185
Hauteur manométrique max. m 7,50
Puissance du moteur kW 0,15
Phase / Tension 1-phase / 230V / 110V / 50Hz
GENERAL
ø diamètre de refoulement mm 32 mm
Diamètre de connexion Filetage intérieur, bride
Pompage de fluide
Type de fluide Eaux usées
Température 0 - 40°C
Granulométrie max (mm) 10
Valeur maximale du pH 4-10
Capacité max. l/min 185
Hauteur manométrique max. m 7,50
Pompe
Composants
Turbine Turbine Vortex
Roulements Roulements à billes blindés
Garniture mécanique Joint mécanique double dans bain d'huile
MATÉRIEL
Turbine Plastique renforcé de fibres de verre
Enveloppe Plastique renforcé de fibres de verre
Corps de pompe Acier inoxydable EN-X5CrNi18-10
Garniture mécanique carbure de silicium
Moteur
Puissance du moteur kW 0,15
Méthode de démarrage Condenseur
Type, pôles Moteur à induction, 2 pôles, IP68
Isolation Classe d'isolation E
Phase / Tension 1-phase / 230V / 110V / 50Hz
tr/min 2852
Protection moteur Protecteur miniature
Intensité nominal 1,65
MATÉRIEL
Cadre Acier inoxydable EN-X5CrNi18-10
Arbre Acier inoxydable EN-X5CrNiMo17-12-2
Câble H07RN8-F 3C*1,0 mm²
Longueur du câble 10 m
Autres
Poids à sec en kg 5.10, 5h30
Résistance à la pression max. 20 m
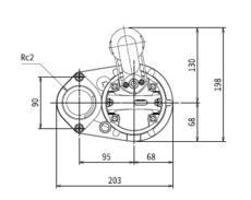
Dimensions - en mm
W1 : niveau d'eau courante le plus bas
  • OMA
W1 : niveau d'eau courante le plus bas
  • OM

La série OM est une pompe semi-vortex submersible conçue pour le traitement des eaux usées domestiques et des liquides contenant de fines particules solides. Sa conception semi-vortex, avec un passage modéré de solides, lui confère une performance efficace pour de nombreuses applications. Lubrifiée à la paraffine liquide, elle peut également être utilisée pour des cascades ornementales, des bassins piscicoles, l'aquaculture, etc.

Capteur de fuite d'huile TSS-TEG-08
Capteur d'étanchéité d'huile TSS M8 (10 m)

Capteurs de fuite montés à l'extérieur pour la détection d'eau à l'intérieur de la chambre à huile. Veuillez noter qu'un relais supplémentaire, par exemple un détecteur, doit être installé.

Interrupteur à flotteur 106-TEG-03
Flotteur de 10 m (pour pompes d'assainissement) jusqu'à 2,2 kW

Fonctionnement automatique : active la pompe submersible lorsque les niveaux d'eau atteignent une hauteur prédéfinie et la désactive lorsque les niveaux baissent, évitant ainsi tout débordement ou tout dommage à la pompe.

Fiches de protection moteur 56103000tu
Prise de protection moteur 230V avec interrupteur manuel/automatique (marche/arrêt)
Caractéristiques
Contrôle de l'ampérage 3,0A
Presse-étoupe 2 x M16
IP 44

Interrupteur : OFF-ON (0-I) protection 3A 2x presse-étoupes M16, pour utilisation d'un interrupteur à flotteur externe Protection contre les surcharges : déconnecte automatiquement le moteur en cas de consommation excessive de courant
Capteur de fuite d'huile TSS-TEG-08
Capteur d'étanchéité d'huile TSS M8 (10 m)

Capteurs de fuite montés à l'extérieur pour la détection d'eau à l'intérieur de la chambre à huile. Veuillez noter qu'un relais supplémentaire, par exemple un détecteur, doit être installé.

Interrupteur à flotteur 106-000-11
Ensemble de flotteurs

Fonctionnement automatique : active la pompe submersible lorsque les niveaux d'eau atteignent une hauteur prédéfinie et la désactive lorsque les niveaux baissent, évitant ainsi tout débordement ou tout dommage à la pompe.

Interrupteur à flotteur 106-TEG-03
Flotteur de 10 m (pour pompes d'assainissement) jusqu'à 2,2 kW

Fonctionnement automatique : active la pompe submersible lorsque les niveaux d'eau atteignent une hauteur prédéfinie et la désactive lorsque les niveaux baissent, évitant ainsi tout débordement ou tout dommage à la pompe.

Fiches de protection moteur 56103000tu
Prise de protection moteur 230V avec interrupteur manuel/automatique (marche/arrêt)
Caractéristiques
Contrôle de l'ampérage 3,0A
Presse-étoupe 2 x M16
IP 44

Interrupteur : OFF-ON (0-I) protection 3A 2x presse-étoupes M16, pour utilisation d'un interrupteur à flotteur externe Protection contre les surcharges : déconnecte automatiquement le moteur en cas de consommation excessive de courant